| 固态继电器 ( K3P20C**DA(DC-AC)(280VAC)三相三线系列 |
| |
|
固态继电器 (S.S.R) |
K3P20C25DA |
K3P20C40DA |
K3P20C50DA |
K3P20C75DA |
K3P20C90DA |
K3P20C100DA |
( 电热式负截 ) |
|
|
|
| |
| 规格说明: |
型号 |
|
释放电压 |
|
|
负截电
压范围 |
|
|
频率范围 |
|
目录下载 |
K3P20C25DA |
6 TO 32VDC |
MAX 9.5 VDC |
1.5 Kohm |
25A |
24-280VAC |
600VAC |
少于10mA |
47~63Hz |
315A |
|
K3P20C40DA |
6 TO 32VDC |
MAX 9.5 VDC |
1.5Kohm |
40A |
24-280VAC |
600VAC |
少于10mA |
47-63Hz |
450A |
K3P20C50DA |
6 TO 32VDC |
MAX 9.5 VDC |
1.5Kohm |
50A |
24-280VAC |
600VAC |
少于10mA |
47-63Hz |
560A |
K3P20C75DA |
6 TO 32VDC |
MAX 9.5 VDC |
1.5 Kohm |
75A |
24-280VAC |
600VAC |
少于10mA |
47~63Hz |
750A |
K3P20C90DA |
6 TO 32VDC |
MAX 9.5 VDC |
1.5 Kohm |
90A |
24-280VAC |
600VAC |
少于10mA |
47~63Hz |
900A |
K3P20C100DA |
6 TO 32VDC |
MAX 9.5 VDC |
1.5Kohm |
100A |
24-280VAC |
600VAC |
少于10mA |
47-63Hz |
1030A |
|
| |
型号 . |
|
|
绝缘电阻 |
|
|
动作时间 |
|
|
重量 (g) |
K3P20C25DA |
250  SEC |
1.6Vrms |
 ohm |
2500Vrms |
2500Vrms |
少于1/2mSee |
少于 1/2
循环 |
少于 473pf |
600 g |
K3P20C40DA |
250  SEC |
1.6Vrms |
 ohm |
2500Vrms |
2500Vrms |
少于1/2mSee |
少于 1/2
循环 |
少于 473pf |
600 g |
K3P20C50DA |
250  SEC |
1.6Vrms |
 ohm |
2500Vrms |
2500Vrms |
少于1/2mSee |
少于 1/2
循环 |
少于 473pf |
600 g |
K3P20C75DA |
250  SEC |
1.6Vrms |
 ohm |
2500Vrms |
2500Vrms |
少于1/2mSee |
少于 1/2
循环 |
少于 473pf |
600 g |
K3P20C90DA |
250  SEC |
1.6Vrms |
 ohm |
2500Vrms |
2500Vrms |
少于1/2mSee |
少于 1/2
循环 |
少于 473pf |
600 g |
K3P20C100DA |
250  SEC |
1.6Vrms |
 ohm |
2500Vrms |
2500Vrms |
少于1/2mSee |
少于 1/2
循环 |
少于 473pf |
600 g |
|
| |
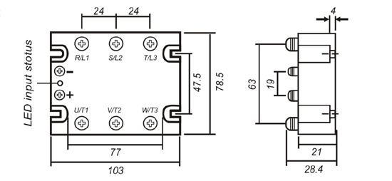
外形尺寸图 ( 单位 :mm) |
 |
| |
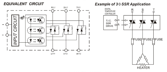
EQUIVALENT CIRCUIT |
 |
| |
| 特有曲线图 |
|
|