English
繁體中文
簡体中文
固态继电器 ( S.S.R )
>>
固态继电器
KA 系列 (DC - AC)
>>
固态继电器
KB 系列 (DC - AC)
>>
固态继电器
KC 系列 (CURRENT- VAC)
>>
固态继电器
KD 系列 (DC - AC)
>>
固态继电器
KE 系列 (DC - DC)
>>
固态继电器
KF 系列 (DC - DC)
>>
固态继电器
KG 系列 (DC - DC)
>>
固态继电器
KL 系列(AC - AC)
>>
固态继电器
KM 系列 (AC - AC)
>>
固态继电器
KN 系列 (AC - DC)
>>
固态继电器
KR 系列 (VR - AC)
>>
固态继电器
KS 系列 (Mini TYPE) (DC-AC)
>>
固态继电器
KS 系列 (Mini TYPE)
>>
固态继电器
KT 系列 (DC-DC)
>>
固态继电器
KT 系列 (DC-AC)
>>
固态继电器 IO-X-20C04A
系列 (DC - AC)(1/2/4/8 Port)
>>
固态继电器 IO-X-0604D
系列 (DC - DC)(1/2/4/8 Port)
>>
固态继电器 三相三线
( 电热式负截 ) 系列
>>
固态继电器 三相三线
( 电感式负截 ) 系列
>>
固态继电器 三相二线
( 电热式负截 ) 系列
>>
固态继电器 三相二线
( 电感式负截 ) 系列
>>
配件(HEAT SINK)系列
回首页
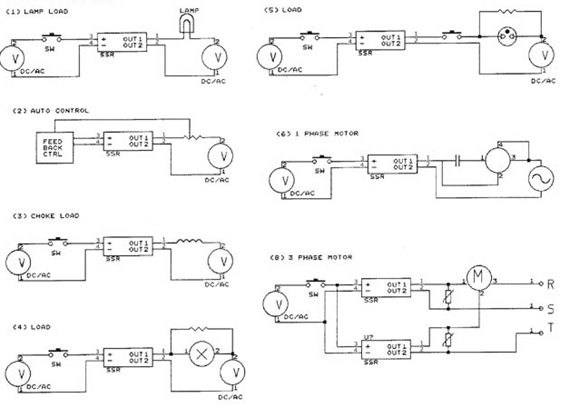
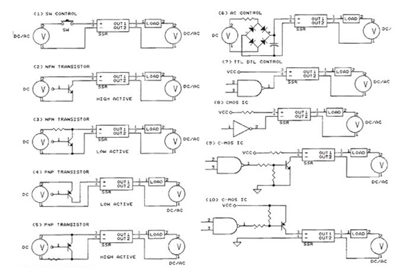
> 应用范例
SSR 应用范例
应用范例
LOAD EXAMPLES
凱優特有限公司
深圳市凯优特电子科技有限公司
324桃園縣平鎮市復旦路四段131巷68號
深圳市龙华镇龙胜社区腾龙路淘金地电子商务孵化基地A306
電話:03-4930055
电话:0755-28030048
傳真:03-4922455
传真:0755-23705848
E-mail:
kyotto@kyotto.com
E-mail:
oydado@163.com
Copyright KYTECH ELECTRONICS, LTD.
Taiwan Products
,
B2BChinaSources
,
B2BManufactures