| 固态继电器 K3P40C**DA(DC-AC)(480VAC)
三相三线系列
|
| |
固态继电器 (S.S.R) |
K3P40C25DA |
K3P40C40DA |
K3P40C50DA |
K3P40C75DA |
K3P40C90DA |
K3P40C100DA |
( 电热式负截 ) |
三相三线 系列 |
|
|
| |
| 规格说明: |
型号 |
|
释放电压 |
|
|
负截电
压范围 |
|
|
频率范围 |
|
目录下載 |
K3P40C25DA |
12 TO 32VDC |
MAX 9.5VDC |
1.5 Kohm |
25A |
48-480VAC |
1200VAC |
少于 10 mA |
47-63Hz |
315A |
|
K3P40C40DA |
12 TO 32VDC |
MAX 9.5VDC |
1.5Kohm |
40A |
48-480VAC |
1200VAC |
少于 10 mA |
47-63Hz |
450A |
K3P40C50DA |
12 TO 32VDC |
MAX 9.5VDC |
1.5Kohm |
50A |
48-480VAC |
1200VAC |
少于 10 mA |
47-63Hz |
560A |
K3P40C75DA |
12 TO 32VDC |
MAX 9.5VDC |
1.5 Kohm |
75A |
48-480VAC |
1200VAC |
少于 10 mA |
47-63Hz |
750A |
K3P40C90DA |
12 TO 32VDC |
MAX 9.5VDC |
1.5 Kohm |
90A |
48-480VAC |
1200VAC |
少于 10 mA |
47-63Hz |
900A |
K3P40C100DA |
12 TO 32VDC |
MAX 9.5VDC |
1.5Kohm |
100A |
48-480VAC |
1200VAC |
少于 10 mA |
47-63Hz |
1030A |
|
| |
型号 . |
|
|
绝缘电阻 |
|
|
动作时间 |
|
|
重量 (g) |
K3P40C25DA |
500  SEC |
1.6Vrms |
 ohm |
2500Vrms |
2500Vrms |
少于1/2mSee |
少于 1/2 循环 |
少于 473pf |
600 g |
K3P40C40DA |
500  SEC |
1.6Vrms |
 ohm |
2500Vrms |
2500Vrms |
少于1/2mSee |
少于 1/2 循环 |
少于 473pf |
600 g |
K3P40C50DA |
500  SEC |
1.6Vrms |
 ohm |
2500Vrms |
2500Vrms |
少于1/2mSee |
少于 1/2 循环 |
少于 473pf |
600 g |
K3P40C75DA |
500  SEC |
1.6Vrms |
 ohm |
2500Vrms |
2500Vrms |
少于1/2mSee |
少于 1/2 循环 |
少于 473pf |
600 g |
K3P40C90DA |
500  SEC |
1.6Vrms |
 ohm |
2500Vrms |
2500Vrms |
少于1/2mSee |
少于 1/2 循环 |
少于 473pf |
600 g |
K3P40C100DA |
500  SEC |
1.6Vrms |
 ohm |
2500Vrms |
2500Vrms |
少于1/2mSee |
少于 1/2 循环 |
少于 473pf |
600 g |
|
| |
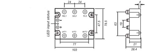
| 外形尺寸图 ( 单位 :mm) |
 |
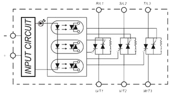
| EQUIVALENT CIRCUIT |
|
| |
| 特有曲线图 |
|
| |