| 固态继电器K3PI40**AA(DC-AC)(480VAC) |
| |
|
固态继电器 (S.S.R) |
K3P40R25AA |
K3P40R40AA |
K3P40R50AA |
K3P40R75AA |
K3P40R90AA |
K3P40R100AA |
(电感式负截 ) |
三相三线系列 |
|
|
| |
| 规格说明: |
型号 |
|
释放电压 |
|
|
负截电
压范围 |
|
|
频率范围 |
|
目录下载 |
K3P40R25AA |
80 ~ 280VAC |
MAX9.5VDC |
1.5Kohm |
25A |
48~480VAC |
1200VAC |
少于 10 mA |
47~63Hz |
315A |
|
K3P40R40AA |
80 ~ 280VAC |
MAX9.5VDC |
1.5Kohm |
40A |
48~480VAC |
1200VAC |
少于 10 mA |
47~63Hz |
450A |
K3P40R50AA |
80 ~ 280VAC |
MAX9.5VDC |
1.5Kohm |
50A |
48~480VAC |
1200VAC |
少于 10 mA |
47~63Hz |
560A |
K3P40R75AA |
80~
280VAC |
MAX9.5VDC |
1.5Kohm |
75A |
48~480VAC |
1200VAC |
少于 10 mA |
47~63Hz |
750A |
K3P40R90AA |
80~
280VAC |
MAX9.5VDC |
1.5Kohm |
90A |
48~480VAC |
1200VAC |
少于 10 mA |
47~63Hz |
900A |
K3P40R100AA |
80 ~ 280VAC |
MAX9.5VDC |
1.5Kohm |
100A |
48~480VAC |
1200VAC |
少于 10 mA |
47~63Hz |
1030A |
|
| |
型号 . |
|
|
绝缘电阻 |
|
|
动作时间 |
|
|
重量 (g) |
K3P40R25AA |
500  SEC |
1.6Vrms |
 ohm |
2500Vrms |
2500Vrms |
少于1/2mSee |
少于 1/2 循环 |
少于 473pf |
600 g |
K3P40R40AA
|
500  SEC |
1.6Vrms |
 ohm |
2500Vrms |
2500Vrms |
少于1/2mSee |
少于 1/2 循环 |
少于 473pf |
600 g |
K3P40R50AA |
500  SEC |
1.6Vrms |
 ohm |
2500Vrms |
2500Vrms |
少于1/2mSee |
少于 1/2 循环 |
少于 473pf |
600 g |
K3P40R75AA |
500  SEC |
1.6Vrms |
 ohm |
2500Vrms |
2500Vrms |
少于1/2mSee |
少于 1/2 循环 |
少于 473pf |
600 g |
K3P40R90AA |
500  SEC |
1.6Vrms |
 ohm |
2500Vrms |
2500Vrms |
少于1/2mSee |
少于 1/2 循环 |
少于 473pf |
600 g |
K3P40R100AA
|
500  SEC |
1.6Vrms |
 ohm |
2500Vrms |
2500Vrms |
少于1/2mSee |
少于 1/2 循环 |
少于 473pf |
600 g |
|
| |
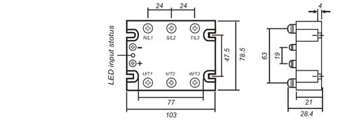
| 外形尺寸图 ( 单位 :mm) |
 |
| |
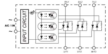
| EQUIVALENT CIRCUIT |
Example of 3£XSSR Application |
 |
|
|
| 特有曲线图 |
|
| |