| 固态继电器 (S.S.RKB20(DC - AC)(280VAC) |
| |
|
KB20C02A |
KB20C03A |
KB20C04A |
KB20C05A |
KB20C06A |
KB 系列 |
|

|
| |
| 规格说明: |
型号 |
|
释放电压 |
|
|
负截电压范围 |
|
|
频率范围 |
|
目录下载 |
KB20C02A |
3 TO 32 VDC |
MAX 1.0 VDC |
1.5 Kohm |
2A |
24-280VAC |
600VAC |
少于5 mA |
47-70Hz |
20A |
 |
KB20C03A |
3 TO 32 VDC |
MAX 1.0 VDC |
1.5 Kohm |
3A |
24-280VAC |
600VAC |
少于 5 mA |
47-70Hz |
30A |
 |
KB20C04A |
3 TO 32 VDC |
MAX 1.0 VDC |
1.5 Kohm |
4A |
24-280VAC |
600VAC |
少于 5 mA |
47-70Hz |
40A |
 |
KB20C05A |
3 TO 32 VDC |
MAX 1.0 VDC |
1.5 Kohm |
5A |
24-280VAC |
600VAC |
少于 5 mA |
47-70Hz |
50A |
 |
KB20C06A |
3 TO 32 VDC |
MAX 1.0 VDC |
1.5 Kohm |
6A |
24-280VAC |
600VAC |
少于 5 mA |
47-70Hz |
60A |
 |
|
| |
型号 . |
|
|
绝缘电阻 |
|
|
动作时间 |
|
|
重量 (g) ) |
KB20C02A |
200  SEC |
1.5VAC |
 ohm |
4000VACrms |
____ |
少于 2 mSec |
少于1/2 循环
|
少于 15 PF |
10 g |
KB20C03A |
200  SEC |
1.5VAC |
 ohm |
4000VACrms |
____ |
少于 2 mSec |
少于1/2 循环
|
少于 15 PF |
12 g |
KB20C04A |
200  SEC |
2.0VAC |
 ohm |
4000VACrms |
____ |
少于 2 mSec |
少于1/2 循环
|
少于 15 PF |
12 g |
KB20C05A |
200  SEC |
2.0VAC |
 ohm |
4000VACrms |
____ |
少于 2 mSec |
少于1/2 循环
|
少于 15 PF |
12 g |
KB20C06A |
200  SEC |
2.0VAC |
 ohm |
4000VACrms |
____ |
少于 2 mSec |
少于1/2 循环
|
少于 15 PF |
12 g |
|
| |
| 外形尺寸图 ( 单位 :mm) |
 |
| |
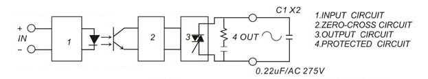
| EQUIVALENT CIRCUIT |
 |
| |
| 特有曲线图 |
|
| |