| K3P20C**AA(DC-AC)(280VAC)三相兩線系列 |
| |
|
AC 固態繼電器(S.S.R) |
|
K3P20C25AA-2L
|
K3P20C40AA-2L |
K3P20C50AA-2L |
K3P20C75AA-2L |
K3P20C90AA-2L |
K3P20C100AA-2L |
( 電熱式負截 ) |
三相兩線系列 |
|
|
| |
| 規格說明 |
型號. |
控制電
壓範圍 |
釋放電壓 |
投入電阻
|
最大負電流 |
負電
壓範圍 |
最小破
壞電壓 |
開路時洩
漏電流 |
頻率範圍 |
最大瞬間
承受電流 |
目錄下載 |
K3P20C25AA-2L |
80~280VAC |
MAX 9.5 VDC |
1.5 Kohm |
25A |
24-280VAC |
600VAC |
少於 10mA |
47~63Hz |
315A |
|
K3P20C40AA-2L |
80~280VAC |
MAX 9.5 VDC |
1.5Kohm |
40A |
24-280VAC |
600VAC |
少於 10 mA |
47-63Hz |
450A |
K3P20C50AA-2L |
80~280VAC |
MAX 9.5 VDC |
1.5Kohm |
50A |
24-280VAC |
600VAC |
少於 10 mA |
47-63Hz |
560A |
K3P20C75AA-2L |
80~280VAC |
MAX 9.5 VDC |
1.5 Kohm |
75A |
24-280VAC |
600VAC |
少於 10mA |
47~63Hz |
750A |
K3P20C90AA-2L |
80~280VAC |
MAX 9.5 VDC |
1.5 Kohm |
90A |
24~280VAC |
600VAC |
少於 10mA |
47~63Hz |
900A |
K3P20C100AA-2L |
80~280VAC |
MAX 9.5 VDC |
1.5Kohm |
100A |
24-280VAC |
600VAC |
少於 10 mA |
47-63Hz |
1030A |
|
| |
型號. |
瞬間電壓
變化率 |
通電之後
下降電壓 |
絕緣電阻 |
介質耐壓
輸入 - 輸出 |
輸出 / 入端 對外殼
的瞬間耐壓強度 |
動作
時間 |
釋放
時間
|
容量
進出 |
重量 (g) |
K3P20C25AA-2L |
250  SEC |
1.6Vrms |
 ohm |
2500Vrms |
2500Vrms |
少於1/2mSee |
少於 1/2 循環 |
少於 473pf |
600 g |
K3P20C40AA-2L |
250  SEC |
1.6Vrms |
 ohm |
2500Vrms |
2500Vrms |
少於1/2mSee |
少於 1/2 循環 |
少於 473pf |
600 g |
K3P20C50AA-2L |
250  SEC |
1.6Vrms |
 ohm |
2500Vrms |
2500Vrms |
少於1/2mSee |
少於 1/2 循環 |
少於 473pf |
600 g |
K3P20C75AA-2L |
250  SEC |
1.6Vrms |
 ohm |
2500Vrms |
2500Vrms |
少於1/2mSee |
少於 1/2 循環 |
少於 473pf |
600 g |
K3P20C90AA-2L |
250  SEC |
1.6Vrms |
 ohm |
2500Vrms |
2500Vrms |
少於1/2mSee |
少於 1/2 循環 |
少於 473pf |
600 g |
K3P20C100AA-2L |
250  SEC |
1.6Vrms |
 ohm |
2500Vrms |
2500Vrms |
少於1/2mSee |
少於 1/2 循環 |
少於 473pf |
600 g |
|
| |
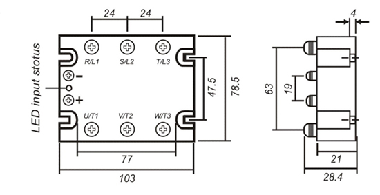
外形尺寸圖 ( 單位:mm) |
 |