繁體中文

 
固態繼電器 ( S.S.R )
>>
 
回首頁>固態繼電器(S.S.R) >固態繼電器(S.S.R) KA 系列 (DC - AC)(280VAC)
 
固態繼電器(S.S.R) KA 系列 (DC - AC)(280VAC)
 
AC 固態繼電器
KA 20C02A
KA 20C04A
KA系列
 
規格說明:
KA20C02A
3 TO 32 VDC
MAX 1.0 VDC
1.5 Kohm
2A
24-280VAC
600VAC
少於 3 mA
47-70Hz
30A
blank
KA20C04A
3 TO 32 VDC
MAX 1.0 VDC
1.5 Kohm
4A
24-280VAC
600VAC
少於 3 mA
47-70Hz
30A
 
KA20C02A
100SEC
1.5VAC
ohm
4000 VACrms
____
少於 2 mSec
少於1/2 循環
少於 15 PF
15 g
KA20C04A
100SEC
1.5VAC
ohm
4000 VACrms
____
少於 2 mSec
少於1/2 循環
少於 15 PF
15 g
 
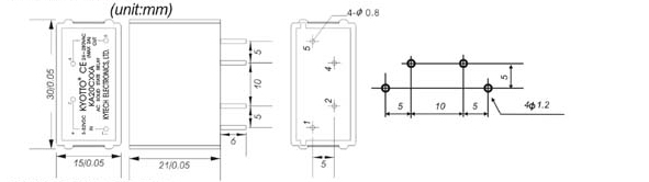
外形尺寸圖 ( 單位:mm)
 
 
特有曲線圖

In order be in compliance with the EMC directive an additional X2 capacitor at the output is requried if the SSR is operated as single component.
In case the SSR is EMI fitter may provide the required EMI suppersion.
the X2 capacitor must be placed as close as possible to the output temminate see also above.

 
 
凱優特有限公司
深圳市凯优特电子科技有限公司
324桃園縣平鎮市復旦路四段131巷68號
深圳市龙华镇龙胜社区腾龙路淘金地电子商务孵化基地A306
電話:03-4930055
电话:0755-28030048
傳真:03-4922455
传真:0755-23705848
 
Copyright KYTECH ELECTRONICS, LTD. Taiwan Products , B2BChinaSources , B2BManufactures