|
| |
| |
| KT1008D(VR - AC)(280VAC) |
| |
|
固態繼電器 ( S.S.R ) |
KT1008D |
KT 系列 |
|
|
| |
|
| ?格說明: |
型號. |
控制電壓範圍 |
釋放電壓 |
投入電阻
|
最大負載
電流 |
負電壓範圍 |
最小破壞電壓 |
開路時洩
漏電流 |
頻率範圍 |
最大瞬間
承受電流 |
目錄下載 |
KT1008D |
3 TO 32 VDC |
MAX10VAC |
1.5Kohm |
8A |
120VDC |
160VDC |
少於 1 mA |
47~70Hz |
80A |
|
|
| |
型號. |
瞬間電壓
變化率 |
通電之後
下降電壓 |
絕緣電阻 |
介質耐壓
輸入 - 輸出 |
輸出 / 入端 對外殼
的瞬間耐壓強度 |
動作時間 |
釋放時間
|
容量進出 |
重量 (g) |
KT1008D |
200  SEC |
1.2Vrms |
 ohm |
2500Vrms |
- |
少於 2mSee |
少於 1/2 循環 |
少於 15 PF |
10 g |
|
| |
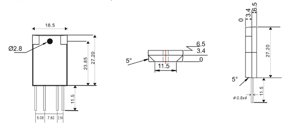
| 外形尺寸圖 ( 單位:mm) |
 |
| EQUIVALENT CIRCUIT |
 |
| |
|
|
| |
凱優特有限公司 |
深圳市凯优特电子科技有限公司 |
324桃園縣平鎮市復旦路四段131巷68號 |
深圳市龙华镇龙胜社区腾龙路淘金地电子商务孵化基地A306 |
電話:03-4930055 |
电话:0755-28030048 |
傳真:03-4922455 |
传真:0755-23705848 |
|
|
|
| |
|