| K3P40C**AA(AC-AC)(480VAC)
三相兩線系列 |
| |
|
AC 固態繼電器 |
K3P40C25AA-2L |
K3P40C40AA-2L |
K3P40C50AA-2L |
K3P40C75AA-2L |
K3P40C90AA-2L |
K3P40C100AA-2L |
(電熱式負截 ) |
三相兩線系列 |
|
|
| 規格說明 |
型號. |
控制電
壓範圍 |
釋放電壓 |
投入電阻
|
最大負電流 |
負電
壓範圍 |
最小破
壞電壓 |
開路時洩
漏電流 |
頻率範圍 |
最大瞬間
承受電流 |
目錄下載 |
K3P40C25AA-2L |
80 ~280VAC |
MAX 9.5VDC |
1.5 Kohm |
25A |
48-480VAC |
1200VAC |
少於 10mA |
47-63Hz |
315A |
|
K3P40C40AA-2L |
80 ~280VAC |
MAX 9.5VDC |
1.5Kohm |
40A |
48-480VAC |
1200VAC |
少於 10 mA |
47-63Hz |
450A |
K3P40C50AA-2L |
80 ~280VAC |
MAX 9.5VDC |
1.5Kohm |
50A |
48-480VAC |
1200VAC |
少於 10 mA |
47-63Hz |
560A |
K3P40C75AA-2L |
80 ~280VAC |
MAX 9.5VDC |
1.5 Kohm |
75A |
48-480VAC |
1200VAC |
少於 10mA |
47-63Hz |
750A |
K3P40C90AA-2L |
80 ~280VAC |
MAX 9.5 VDC |
1.5Kohm |
90A |
48-480VAC |
1200VAC |
少於 10mA |
47-63Hz |
900A |
K3P40C100AA-2L |
80 ~280VAC |
MAX 9.5VDC |
1.5Kohm |
100A |
48-480VAC |
1200VAC |
少於 10 mA |
47-63Hz |
1030A |
|
| |
型號. |
瞬間電壓
變化率 |
通電之後下降電壓 |
絕緣
電阻 |
介質耐壓
輸入 - 輸出 |
|
動作
時間 |
釋放
時間
|
容量
進出 |
重量 (g) |
K3P40C25AA-2L |
500  SEC |
1.6Vrms |
 ohm |
2500Vrms |
2500Vrms |
少於1/2mSee |
少於 1/2 循環 |
少於 473pf |
600 g |
K3P40C40AA-2L |
500  SEC |
1.6Vrms |
 ohm |
2500Vrms |
2500Vrms |
少於1/2mSee |
少於 1/2 循環 |
少於 473pf |
600 g |
K3P40C50AA-2L |
500  SEC |
1.6Vrms |
 ohm |
2500Vrms |
2500Vrms |
少於1/2mSee |
少於 1/2 循環 |
少於 473pf |
600 g |
K3P40C75AA-2L |
500  SEC |
1.6Vrms |
 ohm |
2500Vrms |
2500Vrms |
少於1/2mSee |
少於 1/2 循環 |
少於 473pf |
600 g |
K3P40C90AA-2L |
500  SEC |
1.6Vrms |
 ohm |
2500Vrms |
2500Vrms |
少於1/2mSee |
少於 1/2 循環 |
少於 473pf |
600 g |
K3P40C100AA-2L
|
500  SEC |
1.6Vrms |
 ohm |
2500Vrms |
2500Vrms |
少於1/2mSee |
少於 1/2 循環 |
少於 473pf |
600 g |
|
| |
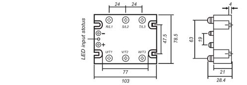
| 外形尺寸圖 ( 單位:mm) |
 |
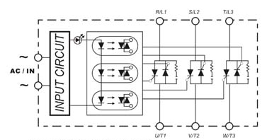
| EQUIVALENT CIRCUIT |
|
| 特有曲線圖 |
|