|
| |
| 首頁 > 固態繼電器 > 固態繼電器(S.S.R) 3 PHASE ( 三相馬達正逆轉 ) 系列 > K2R480C**DA(DC-AC)(480VAC)三相二線系列 |
|
| |
| K2R480C**DA(DC-AC)(480VAC)三相二線系列 |
| |
|
DC 固態繼電器(S.S.R) |
|
K2R480R1DA
|
K2R480C2DA |
K2R480R2DA
|
K2R480C3DA |
K2R480R3DA
|
K2R480C4DA |
K2R480R4DA
|
K2R480C5DA |
K2R480R5DA
|
K2R480C7DA |
K2R480R7DA |
( 馬達正逆轉 ) |
三相二線系列 |
|
|
型錄下載 Download PDF |
 |
|
| 產品摘錄-PRODUCT SELECTON |
| 型號索引說明 Model No. Descriptions: |
 |
|
 |
此為三相馬達正逆轉所設計
Motor reversing for 3-phase induction motors. |
 |
負載輸出電壓可達480VAC
Rated operational voltage : Up to 480VACrms. |
 |
內建連結功能.
Built-in interlock function. |
 |
直流控制/交流控制
DC control voltage / AC control voltage |
 |
內建衝擊電壓保護
Built-in voltage transient protection. |
 |
輸入-輸出絕緣電壓可達4000VACrms.
Insulation: Optocoupler (input-output ) 4000VACrms. |
|
|
| 輸出規格 OUTPUT SPECIFICATIONS |
| 品 名 |
Description |
K2R480C1DA |
K2R480C2DA
|
K2R480C3DA
|
K2R480C4DA
|
K2R480C5DA
|
K2R480C7DA
|
| 馬達額定功率 |
Motor rating |
1HP/0.75kW |
2HP/1.5kW |
3HP/2.2kW |
4HP/3.0kW |
5HP/4.0kW |
7.5HP/5.5kW |
| 負載電壓範圍 |
Operating Voltage [VAC] |
24-480 |
24-480 |
24-480 |
24-480 |
24-480 |
24-480 |
| 破壞電壓 |
Maximum Transient Overvoltage [Vpk] |
1200 |
1200 |
1200 |
1200 |
1200 |
1200 |
| 洩露電流 |
Maximum Off-State Leakage Current @Rated Voltage [mA] |
Less 1m Ams |
Less 1m Ams |
Less 1m Ams |
Less 1m Ams |
Less 1m Ams |
Less 1m Ams |
| 最大瞬間承受電流 |
Maximum Surge Current [Adc] (10ms) |
10A |
20A |
30A |
40A |
50A |
60A |
| 動作壓降 |
Maximum On-State Voltage Drop @ Rated Current [Vdc] |
1.6 |
1.6 |
1.6 |
1.6 |
1.6 |
1.6 |
| 端子阻抗 |
Thermal Resistance Junction to Case (Rjc) [oC/W] |
0.8 |
0.8 |
0.8 |
0.8 |
0.8 |
0.8 |
| 輸入規格 INPUT SPECIFICATIONS |
| 品 名 |
Description |
K2R480C1DA |
K2R480C2DA
|
K2R480C3DA
|
K2R480C4DA
|
K2R480C5DA
|
K2R480C7DA
|
| 控制電壓範圍 |
Control Voltage Range |
10-50VDC |
10-50VDC |
10-50VDC |
10-50VDC |
10-50VDC |
10-50VDC |
| 最小導通電壓 |
Minimum Turn-on Voltage |
10 |
10 |
10 |
10 |
10 |
10 |
| 最小關斷電壓 |
Minimum Turn-off Voltage |
2.0 |
2.0 |
2.0 |
2.0 |
2.0 |
2.0 |
| 關斷洩漏電流 |
Typical Input Current at Nominal Voltage |
15mA |
15mA |
15mA |
15mA |
15mA |
15mA |
| 輸入阻抗 |
Nominal Input Impedance |
1.5 Kohm |
1.5 Kohm |
1.5 Kohm |
1.5 Kohm |
1.5 Kohm |
1.5 Kohm |
| 最大動作時間 |
Maximum Turn-on Time [msec] |
Less 2m Sec |
Less 2m Sec |
Less 2m Sec |
Less 2m Sec |
Less 2m Sec |
Less 2m Sec |
| 最大關斷時間 |
Maximum Turn-off Time [msec] |
Less 1/2AC cycle |
Less 1/2AC cycle |
Less 1/2AC cycle |
Less 1/2AC cycle |
Less 1/2AC cycle |
Less 1/2AC cycle |
| 一般規格 GENERAL SPECIFICATIONS |
| 品 名 |
Description |
K2R480C1DA |
K2R480C2DA
|
K2R480C3DA
|
K2R480C4DA
|
K2R480C5DA
|
K2R480C7DA
|
| 輸入/輸出至外殼絕緣電壓 |
Dielectric Strength , Input-Output Base ( 50/60Hz) |
2500 |
2500 |
2500 |
2500 |
2500 |
2500 |
| 絕源電阻 |
Minimum Insulation Resistance |
109ohm |
109ohm |
109ohm |
109ohm |
109ohm |
109ohm |
| 輸入-輸出容抗 |
Maximum Capacitance , Input-Output |
Less 15pf |
Less 15pf |
Less 15pf |
Less 15pf |
Less 15pf |
Less 15pf |
| 工作溫度範圍 |
Ambient Operating Temerature Range |
-20℃~+80℃ |
-20℃~+80℃ |
-20℃~+80℃ |
-20℃~+80℃ |
-20℃~+80℃ |
-20℃~+80℃ |
| 儲存溫度範圍 |
Ambient Storage Temperature Range |
-40℃~+100℃ |
-40℃~+100℃ |
-40℃~+100℃ |
-40℃~+100℃ |
-40℃~+100℃ |
-40℃~+100℃ |
| 觸發方式 |
Switch ing Type |
Zero Cross |
Zero Cross |
Zero Cross |
Zero Cross |
Zero Cross |
Zero Cross |
| 重量 |
Weight ( g) |
600g |
600g |
600g |
600g |
600g |
600g |
| GENERAL NOTES |
| (1) All parameters at 25℃ unless otherwise specified |
| (2) Dielectric strength and insulation resistance are measured between input and output |
| (3) Heat sinking require ,for derating curves see next page. |
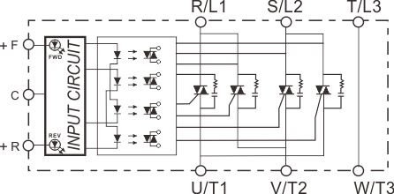
| 等效電路圖 EQUIVALENT CIRCUIT |
DC INPUT |
 |
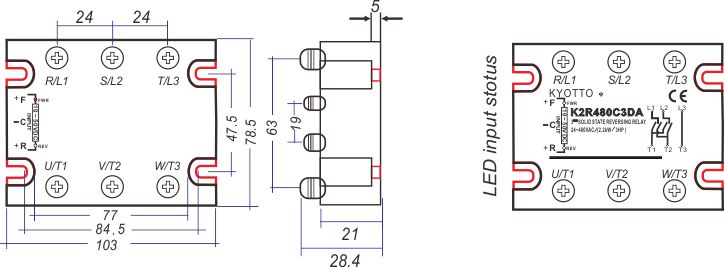
| 外觀尺寸圖 MECHANICAL DIMENSIONS (Unit:mm) |
 |
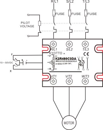
| 應用範例 EXAMPLE APPLICATION |
散熱片 HEAT SINK |
 |
KH104-104 |
|
 |
 |
| |
|
KH197 |
|
 |
 |
|
凱優特有限公司 |
深圳市凯优特电子科技有限公司 |
324桃園縣平鎮市復旦路四段131巷68號 |
深圳市龙华镇龙胜社区腾龙路淘金地电子商务孵化基地A306
|
電話:03-4930055 |
电话:0755-28030048 |
傳真:03-4922455 |
传真:0755-23705848 |
| |
|
|
| |
|