|
| |
| |
| K2R480C**AA(AC-AC)(480VAC)三相二线系列 |
| |
|
DC固态继电器(S.S.R) |
|
K2R480R1AA
|
K2R480C2AA |
K2R480R2AA
|
K2R480C3AA |
K2R480R3AA
|
K2R480C4AA |
K2R480R4AA
|
K2R480C5AA |
K2R480R5AA
|
K2R480C7AA |
K2R480R7AA |
(马达正逆转 ) |
三相二线系列 |
|
|
型录下载 Download PDF |
 |
|
| 产品摘录-PRODUCT SELECTON |
| 型号索引说明 Model No. Descriptions: |
 |
|
 |
此为三相马达正逆转所设计
Motor reversing for 3-phase induction motors. |
 |
负载输出电压可达480VAC
Rated operational voltage : Up to 480VACrms. |
 |
内建连结功能.
Built-in interlock function. |
 |
直流控制/交流控制
DC control voltage / AC control voltage |
 |
内建冲击电压保护
Built-in voltage transient protection. |
 |
输入-输出绝缘电压可达4000VACrms.
Insulation: Optocoupler (input-output ) 4000VACrms. |
|
|
| 输出规格 OUTPUT SPECIFICATIONS |
| 品 名 |
Description |
K2R480C1DA |
K2R480C2DA
|
K2R480C3DA
|
K2R480C4DA
|
K2R480C5DA
|
K2R480C7DA
|
| 马达额定功率 |
Motor rating |
1HP/0.75kW |
2HP/1.5kW |
3HP/2.2kW |
4HP/3.0kW |
5HP/4.0kW |
7.5HP/5.5kW |
| 负载电压范围 |
Operating Voltage [VAC] |
24-480 |
24-480 |
24-480 |
24-480 |
24-480 |
24-480 |
| 破坏电压 |
Maximum Transient Overvoltage [Vpk] |
1200 |
1200 |
1200 |
1200 |
1200 |
1200 |
| 泄露电流 |
Maximum Off-State Leakage Current @Rated Voltage [mA] |
Less 1m Ams |
Less 1m Ams |
Less 1m Ams |
Less 1m Ams |
Less 1m Ams |
Less 1m Ams |
| 最大瞬间承受电流 |
Maximum Surge Current [Adc] (10ms) |
10A |
20A |
30A |
40A |
50A |
75A |
| 动作压降 |
Maximum On-State Voltage Drop @ Rated Current [Vdc] |
1.6 |
1.6 |
1.6 |
1.6 |
1.6 |
1.6 |
| 端子阻抗 |
Thermal Resistance Junction to Case (Rjc) [℃/W] |
0.8 |
0.8 |
0.8 |
0.8 |
0.8 |
0.8 |
| 输入规格 INPUT SPECIFICATIONS |
| 品 名 |
Description |
K2R480C1DA |
K2R480C2DA
|
K2R480C3DA
|
K2R480C4DA
|
K2R480C5DA
|
K2R480C7DA
|
| 控制电压范围 |
Control Voltage Range |
80-280VAC |
80-280VAC |
80-280VAC |
80-280VAC |
80-280VAC |
80-280VAC |
| 最小导通电压 |
Minimum Turn-on Voltage |
10 |
10 |
10 |
10 |
10 |
10 |
| 最小关断电压 |
Minimum Turn-off Voltage |
2.0 |
2.0 |
2.0 |
2.0 |
2.0 |
2.0 |
| 关断泄漏电流 |
Typical Input Current at Nominal Voltage |
15mA |
15mA |
15mA |
15mA |
15mA |
15mA |
| 输入阻抗 |
Nominal Input Impedance |
1.5 Kohm |
1.5 Kohm |
1.5 Kohm |
1.5 Kohm |
1.5 Kohm |
1.5 Kohm |
| 最大动作时间 |
Maximum Turn-on Time [msec] |
Less 2m Sec |
Less 2m Sec |
Less 2m Sec |
Less 2m Sec |
Less 2m Sec |
Less 2m Sec |
| 最大关断时间 |
Maximum Turn-off Time [msec] |
Less 1/2AC cycle |
Less 1/2AC cycle |
Less 1/2AC cycle |
Less 1/2AC cycle |
Less 1/2AC cycle |
Less 1/2AC cycle |
| 一般规格 GENERAL SPECIFICATIONS |
| 品 名 |
Description |
K2R480C1DA |
K2R480C2DA
|
K2R480C3DA
|
K2R480C4DA
|
K2R480C5DA
|
K2R480C7DA
|
| 输入/输出至外壳绝缘电压 |
Dielectric Strength , Input-Output Base ( 50/60Hz) |
2500 |
2500 |
2500 |
2500 |
2500 |
2500 |
| 绝源电阻 |
Minimum Insulation Resistance |
109ohm |
109ohm |
109ohm |
109ohm |
109ohm |
109ohm |
| 输入-输出容抗 |
Maximum Capacitance , Input-Output |
Less 15pf |
Less 15pf |
Less 15pf |
Less 15pf |
Less 15pf |
Less 15pf |
| 工作温度范围 |
Ambient Operating Temerature Range |
-20℃~+80℃ |
-20℃~+80℃ |
-20℃~+80℃ |
-20℃~+80℃ |
-20℃~+80℃ |
-20℃~+80℃ |
| 储存温度范围 |
Ambient Storage Temperature Range |
-40℃~+100℃ |
-40℃~+100℃ |
-40℃~+100℃ |
-40℃~+100℃ |
-40℃~+100℃ |
-40℃~+100℃ |
| 触发方式 |
Switch ing Type |
Zero Cross |
Zero Cross |
Zero Cross |
Zero Cross |
Zero Cross |
Zero Cross |
| 重量 |
Weight ( g) |
600g |
600g |
600g |
600g |
600g |
600g |
| GENERAL NOTES |
| (1) All parameters at 25℃ unless otherwise specified |
| (2) Dielectric strength and insulation resistance are measured between input and output |
| (3) Heat sinking require ,for derating curves see next page. |
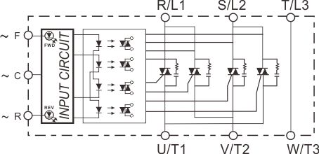
| 等效电路图 EQUIVALENT CIRCUIT |
DC INPUT |
 |
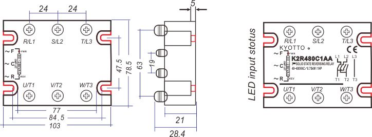
| 外观尺寸图 MECHANICAL DIMENSIONS (Unit:mm) |
 |
| 应用范例 EXAMPLE APPLICATION |
散热片 HEAT SINK |
 |
KH104-104 |
|
 |
 |
| |
|
KH197 |
|
 |
 |
|
凱優特有限公司 |
深圳市凯优特电子科技有限公司 |
324桃園縣平鎮市復旦路四段131巷68號 |
深圳市龙华镇龙胜社区腾龙路淘金地电子商务孵化基地A306 |
電話:03-4930055 |
电话:0755-28030048 |
傳真:03-4922455 |
传真:0755-23705848 |
|
|
|
| |
|