繁體中文

c
Solid State Relays
>>
   
Home > Solid State Relays (S.S.R) > > K3P20R**DA(DC-AC)(280VAC) Series
 
K3P20R**DA(DC-AC)(280VAC) 3 PHASE Series
   
AC SOLID STATE RELAY
K3P20R25DA-2L
K3P20R40DA -2L
K3P20R50DA -2L
K3P20R75DA -2L
K3P20R90DA -2L
K3P20R100DA -2L
K3P20R125DA -2L
( INDUCTIVE LOAD ONLY )
3 PHASE Series
 
SPECIFICATIONS
K3P20R25DA-2L
6 TO 32VDC
MAX 3VDC
1.5 Kohm
25A
24-280VAC
600VAC
LESS 10mA
47~63Hz
315A
K3P20R40DA-2L
6 TO 32VDC
MAX 3VDC
1.5Kohm
40A
24-280VAC
600VAC
LESS 10 mA
47-63Hz
450A
K3P20R50DA-2L
6 TO 32VDC
MAX 3VDC
1.5Kohm
50A
24-280VAC
600VAC
LESS 10 mA
47-63Hz
560A
K3P20R75DA-2L
6 TO 32VDC
MAX 3VDC
1.5 Kohm
75A
24-280VAC
600VAC
LESS 10mA
47~63Hz
750A
K3P20R90DA -2L
6 TO 32VDC
MAX 3VDC
1.5 Kohm
90A
24-280VAC
600VAC
LESS 10mA
47~63Hz
900A
K3P20R100DA-2L
6 TO 32VDC
MAX 3VDC
1.5Kohm
100A
24-280VAC
600VAC
LESS 10 mA
47-63Hz
1030A
 
K3P20R25DA-2L
250 SEC
1.6Vrms
ohm
2500Vrms
2500Vrms
LESS 1/2mSee
LESS1/2ACcycle
LESS 473pf
600 g
K3P20R40DA-2L
250 SEC
1.6Vrms
ohm
2500Vrms
2500Vrms
LESS 1/2mSee
LESS1/2ACcycle
LESS 473pf
600 g
K3P20R50DA-2L
250 SEC
1.6Vrms
ohm
2500Vrms
2500Vrms
LESS 1/2mSee
LESS1/2ACcycle
LESS 473pf
600 g
K3P20R75DA -2L
250 SEC
1.6Vrms
ohm
2500Vrms
2500Vrms
LESS 1/2mSee
LESS1/2ACcycle
LESS 473pf
600 g
K3P20R90DA -2L
250 SEC
1.6Vrms
ohm
2500Vrms
2500Vrms
LESS 1/2mSee
LESS1/2ACcycle
LESS 473pf
600 g
K3P20R100DA-2L
250 SEC
1.6Vrms
ohm
2500Vrms
2500Vrms
LESS 1/2mSee
LESS1/2ACcycle
LESS 473pf
600 g
 

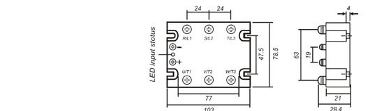
OUTLINE DIMENSIONS(unit:mm)

 

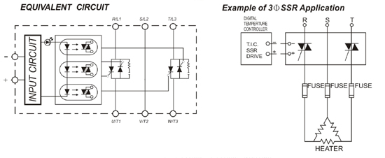
EQUIVALENT CIRCUIT

 
CHARACTERISTIC CURVES
 
Kytech Electronics Ltd.
Kytech (Shenzhen) Electronics Ltd.

No.68, Ln. 131, Sec. 4, Fudan Rd., Pingzhen City, Taoyuan County 324, Taiwan (R.O.C.)

No.A306 Goldfields E-business Incubator,Tenglong Road,Longsheng Community,Longhua Town,Shenzhen,China
Tel :886-3-4930055
Tel :0755-28030048
Fax:886-3-4922455
Fax:0755-23705848

E-mail:oydado@163.com

Copyright KYTECH ELECTRONICS, LTD. Taiwan Products , B2BChinaSources , B2BManufactures