Home > Solid State Relays (S.S.R) > Solid State Relay KE Series (DC - DC)
Solid State Relay KE Series (DC - DC)
AC SOLID STATE RELAY
KE0602D
KE0604D
KE SERIES
SPECIFICATIONS
MODEL
NO.
CONTROL VOLTAGE
RANGE
MUST TURN
OFF VOLTAGE
INPUT
IMPEDANCE
MAX LOAD
CURRENT
LOAD VOLTAGE
RANGE
MIN BLOCKING
VOLTAGE
MAX OFF-STATE
LEAKAGE
FREQUENCY
RANGE
MAX 1-CYCLE
PEAK SURGE
CATALOG DOWNLOAD
KE0602D
3 TO 32 VDC
MAX 1.0 VDC
1.5 Kohm
2 A
3-60 VDC
80VDC
LESS1 mA
47~70Hz
3 A
KE0604D
3 TO 32 VDC
MAX 1.0 VDC
1.5 Kohm
4 A
3-60 VDC
80VDC
LESS1 mA
47~70Hz
8.5 A
MODEL
NO.
MAX OFF
STATE dv/dt
MAX ON-STATE
VOLTAGE DROP
ISOLATE
IMPEDENCE
DIELECTRIC STRENGTH
INPUT-OUTPUT
DIELECTRIC STRENGTH
INPUT,OUTPUT-CASE
TURN ON
TIME
TURN OFF
TIME
CAPACITANCE
IN-OUT
WEIGHT (g)
KE0602D
200 V/μSEC
1.2 VACrms
109 ohm
2500 VACrm
_____
LESS 2 mSec
LESS 1/2 AC CYCLE
LESS 15 PF
15 g
KE0604
200 V/μSEC
1.2 VACrms
109 ohm
2500 VACrm
_____
LESS 2 mSec
LESS 1/2 AC CYCLE
LESS 15 PF
15 g
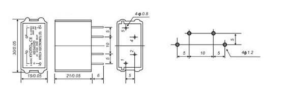
OUTLINE DIMENSIONS
EQUIVALENT CIRCUIT
Attention:
In order to be in compliance with the EMC
Directive an additional X2 capacitor at the output is requried if the SSR is operated as
single component. In case the SSR is incorporated in an appliance the existing EMI filter may provide the required EMI suppresion. The X2 capacitor must be placed as close as possible to the output
temminats. See also above.
Kytech Electronics Ltd.
Kytech (Shenzhen) Electronics Ltd.
No.68, Ln. 131, Sec. 4, Fudan Rd., Pingzhen City, Taoyuan County 324, Taiwan (R.O.C.)