繁體中文

Solid State Relays
>>
   
 
Solid State Relay(S.S.R) KS Series (Mini TYPE) (DC-DC)
AC SOLID STATE RELAY
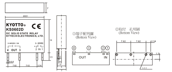
KS0602D DC—DC
KS SERIES
SPECIFICATIONS
 
KS0602D DC-DC
3 TO 32 VDC
MAX10 VDC
1.5Kohm
2 A
3~60VDC
600 VAC
LESS 5 mA
47~70Hz
20A
 
KS0602D DC-DC
100 SEC
1.5VAC
ohm
2500 VACrms
___
LESS 2 mSec
LESS 1/2 AC CYCLE
LESS 15 PF
6 g
 
OUTLINE DIMENSIONS
EQUIVALENT CIRCUIT
CHARACTERISTIC CURVES
 
Kytech Electronics Ltd.
Kytech (Shenzhen) Electronics Ltd.

No.68, Ln. 131, Sec. 4, Fudan Rd., Pingzhen City, Taoyuan County 324, Taiwan (R.O.C.)

No.A306 Goldfields E-business Incubator,Tenglong Road,Longsheng Community,Longhua Town,Shenzhen,China
Tel :886-3-4930055
Tel :0755-28030048
Fax:886-3-4922455
Fax:0755-23705848

E-mail:oydado@163.com

Copyright KYTECH ELECTRONICS, LTD. Taiwan Products , B2BChinaSources , B2BManufactures